はじめに
本記事では、Fusion360の3Dモデルから2D図面を起こす方法を、実際の操作画面を使って一つひとつ丁寧に解説します。前回の「片持ち梁ブラケットのモデリング」を終えていれば、そのデータを使って図面化まで一気通貫で学べます。
この記事でできるようになること
- 3Dモデルからベースビュー/投影ビューを配置できる
- 尺度・投影法・表示スタイル(可視/隠線・断面)の設定ができる
- 寸法、中心線、注記、引き出し線の描き方まで図面を描く上での基本操作を学べる
前提と準備
- 使用ソフト:Autodesk Fusion360(無償体験版で可)
- 用意するデータ:片持ち梁ブラケット(完成モデル)
💡一緒に進める方へ
✅ Fusion360 無償体験版/有料版(公式)
✅ 推奨ノートPC(サブディスプレイがあると快適、同記事で紹介)
図面の作成_投影ビューの設定

①デザイン▼をクリック。
②図面▶︎にカーソルを合わせる。
③デザインからをクリック。

左のような【図面を作成】のポップアップが表示される。
基本はデフォルトのままでOK。もし左画像と異なるようであれば同じにしておくと以降の操作も覚えやすい。

カーソルにモデルを前面から見た図が表示される。

表示されている図面ビューのウィンドウでビューの設定をする。
①外観▼の方向をブラケットを変更し、左の図のような投影ビューに変更する。
②尺度を1/2にする。
③任意の位置でクリックする。後からでも位置は変えられる。
④OKをクリック。

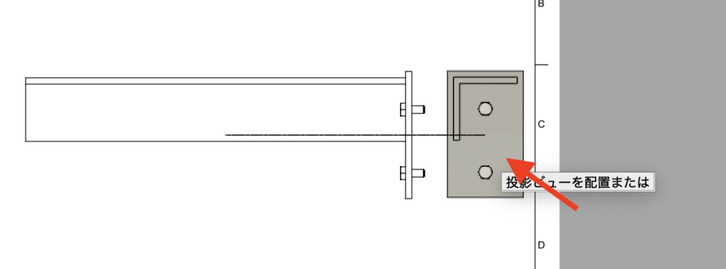
投影ビューを作成する(左側面図)を作成する。
①図をクリックする。
②投影ビューをクリックする。

カーソルに投影ビューが表示される。
Fusionのデフォルトが一角法であることを考慮して図の右側でクリックする。

作成した左側面図が右側にあるため、ドラッグ&ドロップで位置を図の左側に配置する。

図面の六角ボルトを非表示にする。
コンポーネントツリーのボルトのチェックボックスを外す。

隠れ線を表示し忘れたため、
①図をダブルクリックする。
②外観▼のスタイルで表示エッジと隠線エッジをクリックしてOKする。
有料版であれば、この後に寸法自動作成機能を使えば、以下の手順をほとんど省くことができます。ただし、自動とはいっても完璧ではなく多少の修正が必要となります。そんなときにも備えて、この記事で紹介している内容を覚えておけば、それほど苦なく修正&作成することができます。
中心線の作図

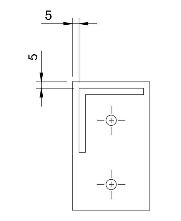
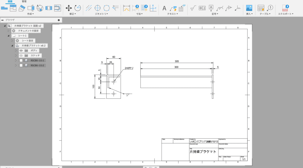
取付プレートの取付穴の中心マークを作図する。
中心マークをクリックする。

円の輪郭線上をクリックする。
中心マークが作図される。
同じようにもう一つの取付穴に中心マークを作図しておく。

取付穴の側面にも中心線を作図する。
中心線をクリック。

見た目上は隠れ線になっていないが線長さが短いため実線に見える。
①線上をクリック。
②反対側もクリック。
真ん中に1本の中心線が作図される。

これで中心線の作図が完了。
次に寸法線を描いていく。
寸法線の作図

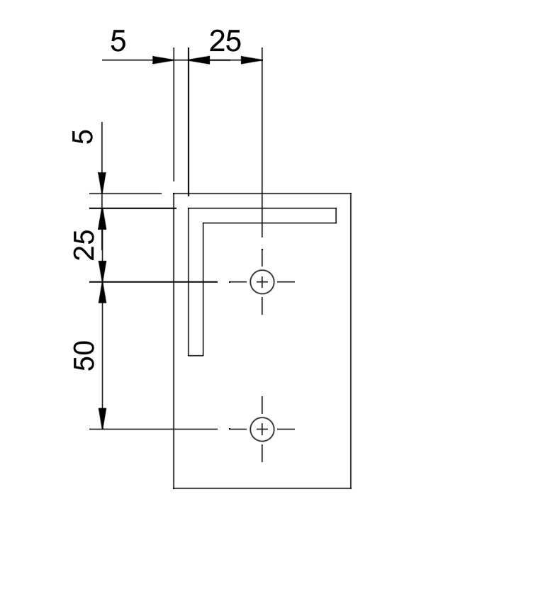
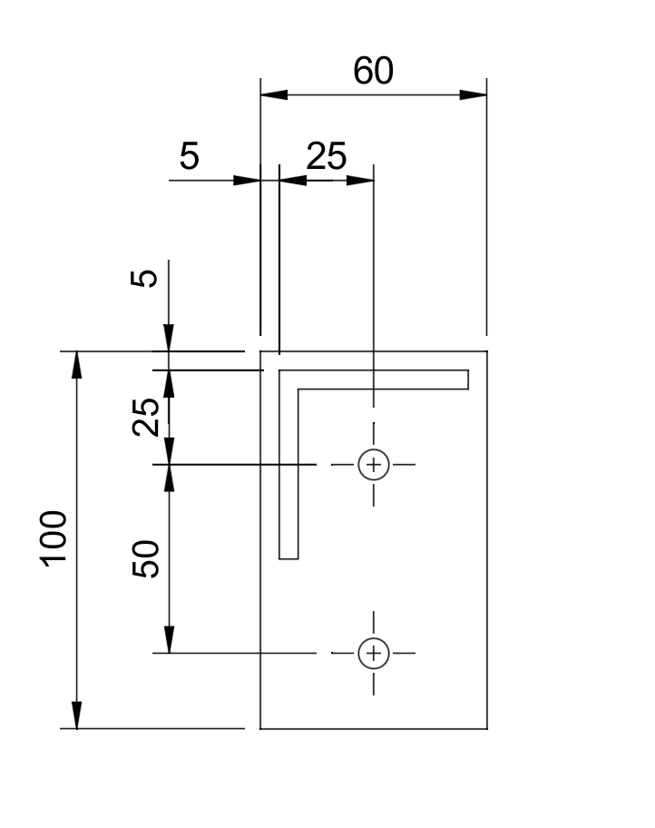
寸法をクリックする。

①アングル輪郭線上をクリック。
②プレート上辺をクリック。
カーソルに寸法が表示される。
③適当な位置でクリックする。
寸法が作図される。

同じようにカーソルを矢印位置に合わせても寸法値を指定位置にセットできないことがある。この場合、ひとまず任意位置でクリックして、後で位置を編集することで解決することができる。(次の手順を参考に)

寸法位置を変更する。
①まずはEscキーを押して寸法モードを解除する。
②位置編集したい寸法をクリックする。
③矢印位置でドラッグ、指定位置までカーソルを合わせてドロップ。

寸法位置を編集することができた。
そして、基準をアングルの角にすることとし、寸法線を記入していく。
ちなみに左図でアングルに対してプレート位置が決まった。

同じ要領で取付穴位置を作図する。
寸法の位置を決める際にがカクカクして決めずらい場合には、Shiftキーを押しながら位置を修正すると微調整ができる。

同じ要領でプレート寸法を作図する。

次にプレート厚さやアングル長さを作図する。
引き出し線や溶接記号

注記をクリックする。

①円の輪郭線上をクリック。
②任意の位置でクリック。
自動で数値が入力される。
左の場合、穴の直径と深さである。

テキストを編集したい場合には文字をダブルクリックして編集することができる。

↑
①溶接をクリック。
②アングルの輪郭線上をクリック。
③溶接記号を置きたい場所でクリック。
④✅記号が表示されるため、それをクリック。
⑤オプションの全周記号をクリック。
⑥OKをクリック。
お疲れ様でした。製作に必要最低限の寸法の作図は完了しました。表面粗さの記号や表題欄などの書き方は別途紹介したいと思いますので今しばらくお待ちください。

まとめ
3Dモデルから2D図面へ落とし込む要点は、
「ビューの設定」→「寸法の追記と整理」→「表題欄など提出用の仕上げ」。
この記事では寸法の追記と整理までを手順通りに進めれば、現場で使える図面に仕上がります。
実践したい方へ
この記事を見ながら同じ操作を行うと、理解が一気に進みます。
✅ Fusion360 無償体験版/有料版(公式)
✅ 推奨ノートPC(サブディスプレイがあると快適、同記事で紹介)



コメント